Survey & Monitoring Activities

In civil engineering, the topography is necessary during the construction phase, when the tracing operations materialise on the ground the points that will belong to the building.

Once the building is finished, the specialists use topography to realise collauds and periodical checkings. These operations for the structures’ monitoring are necessary to identify movements, deformations, and inclinations with great precision.

PIAZZA DEI MIRACOLI LEVELLING AND PISA TOWER SLOPE CHECKING

The geodetic and topographic surveys in Piazza dei Miracoli and on the Pisa tower were executed (by the actual Environmental Hydraulics Various Infrastractures Engineering and Surveying Department of Politecnico di Milano) from 1993 to 2012 in Consorzio Progetto Torre di Pisa’s site.

The levelling net is made of 134 bedrocks in various areas of the Plaza, 72 placed next to the Tower and 8 inside it all checked with variable frequency.

The uncertainty of determination of the partial and total altimetric variations is about 0,1 mm.

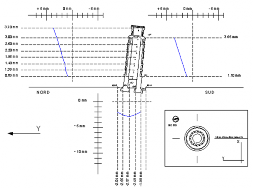
The slope and curve’s movements are surveyed with total station motorised from three fixed stations on bedrocks equipped with precision prisms located on the first and the last order in direction of maximum pendency (south) and on all the orders the orders for the curve (west). The measures are taken in the following two days in the same time interval. The uncertain is less than 0,5 mm. The horizontal translation movements are determined with mixed measures, angles, indirect distances, direct distances along the cardinal axes and referred to a bedrocks series in deep weels. The uncertainty is about 0.2 mm.

VELASCA TOWER, MILAN: PROFILES TRACING

The aim of the Torre Velasca’s work was to capture and represent the shape of the pillars. For this reason, it was realised the laser scanner model of all the facades of the tower, to extract a serie of horizontal section at regular intervals.

These sections can be materialised with a wooden dime (or other rigid materials) and anchorated to the architectural elements that frame the windows, which remained fixed and untouched by the interventions of plaster restoration. In this way, it was possible to retrieve the original pillar trend of Velasca tower.

Comments are closed.